|
| Elliott Sound Products | Project 99 |
Subsonic Filter for Phono preamps and Sub-Woofers
Rod Elliott (ESP), Updated 12 Jan 2009 - Rev-B Boards
Please Note: PCBs are available for the latest revision of this project. Click the image for details.Frequencies below 20Hz are usually not able to be reproduced, and with the exception of synthesisers and pipe organs, are not a wanted part of the audio spectrum. This is especially troublesome with phono systems, since many of the vinyl discs you treasure (or wish to transcribe to CD) will be warped to some degree. Any warp in a vinyl disc will cause large outputs in the subsonic region, typically well below 20Hz.
For example, a 33 1/3 RPM album with a single warped section will create a signal in the pickup at 0.55 Hz (33.3 RPM / 60 = 0.555 Hz). This is a signal that will cause significant cone movement, but is undesirable in the extreme. Not only will vented subs be completely unable to handle such a signal linearly, but sealed subs will also be stressed. Large amounts of available power will be wasted trying to reproduce a signal that was never intended to be there in the first place.
To be effective, a subsonic filter has to be very steep - this allows all wanted frequencies to get through, and rejects those that will only cause problems.

Photo of Completed P99 Revision-B Board
At least one circuit that the I know of uses a method of summing the channels below 140Hz, and although this is effective in removing the low frequency rumble (or sub-rumble in this case) component, it causes frequency response aberrations that (IMO) are not acceptable. The subsonic frequencies generated by record warp are by nature out of phase. The mono component of a vinyl disc is lateral, whereas warp signals are vertical. Stereo signals are at 45° The summing method was examined in great detail before deciding that it should not be used if the overall frequency response of the disc is to be preserved.
Please note that PCBs are available for this project (Revision-B boards available from 12 Jan 09).
The circuit shown is completely conventional. The Q of the filters has been optimised to allow a higher input impedance than would otherwise be possible, with the final Q of the two filters being almost exactly 0.707 (i.e. a traditional Butterworth filter). Although in theory the tolerance of both resistors and capacitors should be 1% or better, in reality it is not that important. 1% metal film resistors are recommended (as always) but only for lowest noise, and capacitors are standard (i.e. 5% or 10%) tolerance. Yes, this will cause the response to deviate from that shown below (see Figure 2), but compared to other errors in the system (recording EQ, room LF node problems, etc.) these may be considered minor.
![]() | Although it is stated below that the input impedance of this filter should be less than 100 ohms, it may be directly connected to the Project 06 phono preamp. Testing shows that the overall frequency response is changed by less than 0.1dB at any frequency above 30Hz. Naturally, low frequency response is affected by the filter as it should be. Even with an input impedance as high as 10k, there is no significant deviation from the expected response curve, and only a tiny (about 0.2dB) loss of overall level. |
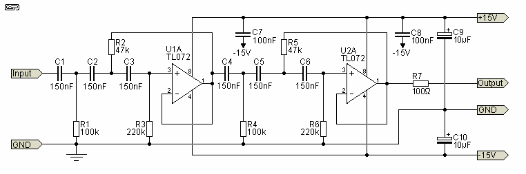
The circuit of the filter is shown below. It is essentially a pair of cascaded 18dB/octave filters, giving an ultimate rolloff of 36dB/octave. The -3dB frequency is about 17Hz with the values shown.

I do not suggest that you experiment with resistor or capacitor values unless you know exactly what you are doing, since any changes will affect the Q of the filters, and will cause either a lump in the passband response, or will roll off too gradually resulting in a loss of bass.
Figure 2 shows the theoretical response of the filter. I say "theoretical", simply because it is unrealistic to expect any signal to be well over 100dB down from the passband level (in excess of -120dB at 1Hz). This is simply beyond the noise limits of any known device. Having said that, the attenuation of ultra-low frequencies is still very high indeed, and even a badly warped disc will cause very little (if any) subwoofer cone movement.

Figure 2 - Filter's Frequency (Red) and Phase (Green) Response
As can be seen from the above, below 2Hz the overall response is better than 90dB below the passband level - nominally anything below 17Hz is effectively disappeared. There is no reason to try to better this, as it already exceeds the resolution of any digital format, and places all typical warp signals well below audibility or danger level for a sub-woofer.
The phase response is as one would expect for any filter, but it is important to note that unless the full-range signal is filtered, there may be unacceptable phase variations in the low frequency regions. Ideally, this filter should not be used in series with the sub-woofer amp, as the phase relationship between the main speakers and sub-woofer will be affected. However, it is probable that there will be no audible anomalies even if the P99 is installed in the subwoofer signal path.
If the full range signal is going to be passed through the filter, it is recommended that high quality opamps be used to prevent noise or distortion in the main signal. If desired, a switch may be used to bypass the circuit when not in use. The use of a subsonic filter is not reserved for vinyl discs - many CD recordings also contain subsonic energy as well, either deliberately or by accident!
To change frequency, change only the capacitors. The following table gives a range of values and frequencies that should suit any application. These are for C1, C2, C3, C4, C5 and C6 and all must be the same value ...
| Capacitance | -3dB Freq. | Capacitance | -3dB Freq. | |
| 220nF | 12.4 Hz | 56nF | 48.5 Hz | |
| 180nF | 15.1 Hz | 47nF | 57.8 Hz | |
| 150nF | 18.1 Hz | 39nF | 69.8 Hz | |
| 120nF | 22.7 Hz | 33nF | 82.3 Hz | |
| 100nF | 27.2 Hz | 27nF | 100 Hz | |
| 82nF | 33.2 Hz | 22nF | 123 Hz | |
| 68nF | 40.0 Hz | 18nF | 151 Hz |
The range shown above obviously caters for frequencies well outside normal subwoofer range, but they are included as there may be other uses for the filter other than only for subwoofers. There are countless applications for very steep filters in control systems and other analogue applications, so there is no reason to restrict use to audio only.
Although construction is not critical, the usual precautions needed with any opamp circuit should be followed. Pay particular attention to bypassing, and do not omit the power supply ground connection. Naturally, I recommend that you use the PCB, as it makes a somewhat tedious wiring exercise very simple. You may (as always) use better opamps than the TL072 dual versions suggested, and the most important parameter is noise. Since the opamps are wired as unity gain buffers, upper frequency response will be well extended to beyond audibility.
Only a single channel is shown in Figure 1, the second channel uses the remaining opamp in each of the dual packages. It is imperative that this circuit is driven from a low impedance. The actual input impedance is greater than 47k at all frequencies, but the source impedance should ideally be no more than 100 ohms or so (although as noted above, even as high as 10k will cause few problems).
Typically, the filter would be used at the output of your phono preamp. Subsonic frequencies are uncommon from other signal sources (but can and do exist!), but if you wish to use the circuit shown in series with your sub-woofer, then you must be aware of the possible effects of the phase response of the filter (see above for details).
![]() |
The standard pinout for a dual opamp is shown on the left. If
the opamps are installed backwards, they will almost certainly fail, so
be careful. The suggested TL072 opamps will be quite satisfactory for most work, but if you prefer to use ultra low noise or wide bandwidth devices, that choice is yours. |
Connect to a suitable power supply - remember that the supply earth (ground) must be connected! When powering up for the first time, use 100 ohm to 560 ohm "safety" resistors in series with each supply to limit the current if you have made a mistake in the wiring.
The opamp DC output voltages should be nearly zero. Testing the frequency response will not be possible unless you have a signal generator (PC based ones are fine), and an AC millivoltmeter. Response above 20Hz should be essentially flat (there will be a very small peak at around 30Hz - less than 0.2dB), and at 10 Hz, the response should be at least -15dB. If you can measure down to 5Hz (or less), then the response should follow the graph in Figure 2 very closely.
Main Index